產品目錄
PRODUCT CENTER- 能見度監測站
- 負氧離子監測站
- 公路氣象站
- 空氣質量監測站
- 負氧離子檢測儀
- VOC在線監測設備
- 隧道檢測設備
- 走航設備
- 路面狀況傳感器
- 煙氣分析儀
- 粉塵濃度檢測儀
- 粉塵采樣器
- 便攜式EL檢測儀
- 惡臭監測設備
- 光透過率檢測儀
- 風量儀
- 便攜式iv測試儀
- 雷達測速儀
- 電能質量分析儀
- 光伏電站灰塵監測系統
- 組串電源
- 噪聲監測站
- 輻射傳感器
- 光伏氣象站
- GNSS位移監測站
- 車載氣象站
- 便攜式氣象站
- 云高儀
- 生命探測儀
- 漏電探測儀
- 氣體檢測儀
- 能見度傳感器
- 在線塵埃粒子計數器
- 雷電預警系統
- 全天空成像儀
推薦文章
- 顏值與實力并存!防腐木監測站讓景區空氣質量更加清晰可見
- 便攜式能見度檢測儀讓每一次出行和作業都多一份安心
- 光伏電站灰塵檢測儀:光伏板的“潔凈守護者”
- 一拎即測!便攜式氣象站解鎖氣象監測新方式
- 大氣負氧離子在線監測系統守護生態環境的“隱形衛士
- 光伏組件EL測試儀為光伏板的質量保駕護航
- 高速公路氣象監測站一款守護通行的氣象監測站
- 能見度傳感器為各行各業的安全運行提供堅實保障
- 隧道光強度檢測儀-隧道里的“光強調節器
- 有毒氣體探測儀-守護礦工安全
- 雷電預警監控系統如何精準“捕捉”雷電信號
- 科研型負離子監測系統-為科研工作和環境監測提供數據支持
聯系我們
聯系人:趙經理
聯系電話:13645368788
客服QQ:841106043
公司地址:山東省濰坊高新區新城街道玉清社區光電路155號濰坊高新區光電產業加速器(一期)1號樓301
大氣電場儀
更新時間: 2025-12-05產品詳情
一、大氣電場儀應用環境說明
大氣電場儀又稱大氣電場監測儀,大氣電場探測儀 ,大氣電場儀可安裝在各類易受雷擊的場所,如石油化工企業、通信基站、電力設施、高層建筑等,大氣電場儀可作為雷電防護的重要監測工具,在這些場所周邊安裝大氣電場儀,能夠實時掌握周邊大氣電場的動態變化,當監測到大氣電場強度超過預設的閾值時,及時觸發警報,提醒工作人員采取相應的防護措施
大氣電場儀是一種高精度的雷電監測與預警設備,能夠實時監測大氣中的電場變化,精準捕捉雷電活動的蹤跡,為雷電災害的防范提供有力支持。
在氣象監測領域,大氣電場儀可廣泛應用于氣象臺站,對區域內的雷電活動進行連續、不間斷的監測,為天氣預報和氣象災害預警提供關鍵數據。通過對大氣電場變化的分析,氣象部門能夠提前預測雷電天氣的發生概率、強度和發展趨勢,及時發布雷電預警信號,為社會公眾、航空、航海等行業的安全運行提供重要參考依據。
對于各類易受雷擊的場所,如石油化工企業、通信基站、電力設施、高層建筑等,大氣電場儀可作為雷電防護的重要監測工具。在這些場所周邊安裝大氣電場儀,能夠實時掌握周邊大氣電場的動態變化,當監測到大氣電場強度超過預設的閾值時,及時觸發警報,提醒工作人員采取相應的防護措施,如停止戶外作業、關閉關鍵設備等,從而有效降低雷電災害對人員生命安全和設備設施造成的損失。
此外,在農業、林業等行業領域,大氣電場儀也具有一定的應用價值。在農業生產中,提前獲知雷電天氣信息有助于合理安排農事活動,避免因雷電天氣導致的農作物損失,同時也有利于保障農業作業人員的安全。在林業方面,可利用大氣電場儀監測雷電活動,預防雷擊引發的森林火災,為森林資源的保護提供保障。
二、大氣電場儀技術性能和規格
1.技術參數
| 量程 | -100kv/m——100kv/m |
| 精度 | ±0.001%F.S |
| 響應時間 | 3s |
| 外殼材質 | 6061鋁合金 |
| 供電電壓 | 12VDC(0.5W@12V) |
| 通訊方式 | Modbus-485 |
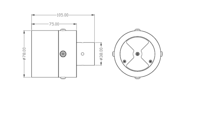
2. 尺寸圖

三、安裝和電氣連接
1.安裝
1.1:本產品屬于較精密儀器,應該避免摔落沖擊等現象。
1.2:設備避免高溫,注意防水,防結冰;
1.3:開箱后的儀器應當保存在干燥、通風及無腐蝕性氣體的場所,搬運時應小心輕放,切忌劇烈振動。灰塵、潮濕以及劇烈的溫度變化會影響本產品的使用壽命,因此避免放置在這些地方。
使用時設備應有良好的接地
2.電氣安裝
線纜為4芯屏蔽線,線序定義:
1-紅色-電源線(12~24VDC)
2-藍色-地線(GND)
3-綠色-485B
4-黃色-485A
本文地址:http://www.mmrongda.cn/ldyj/842.html
- 上一篇:沒有了!
- 下一篇:雷電預警監控系統
最新文章
-
2025-12-05 14:40:22
?顏值與實力并存!防腐木監測站讓景區空氣質量更加清晰可見
-
2025-12-05 14:36:00
?便攜式能見度檢測儀讓每一次出行和作業都多一份安心
-
2025-12-04 15:01:36
?光伏電站灰塵檢測儀:光伏板的“潔凈守護者”
-
2025-12-04 15:00:09
?一拎即測!便攜式氣象站解鎖氣象監測新方式
-
2025-12-03 14:24:49
?大氣負氧離子在線監測系統守護生態環境的“隱形衛士
-
2025-12-03 14:23:04
?光伏組件EL測試儀為光伏板的質量保駕護航
-
2025-12-02 14:42:58
?高速公路氣象監測站一款守護通行的氣象監測站
-
2025-12-02 14:41:37
?能見度傳感器為各行各業的安全運行提供堅實保障
-
2024-08-16 16:00:30
?無人機el檢測儀的用途
-
2024-03-27 15:38:47
?負氧離子在線監測系統可以同時監測多種環境要素
-
2024-06-26 15:27:40
?光伏板便捷式iv曲線測試儀優勢
-
2024-06-25 15:27:19
?無人機el檢測系統可快速完成光伏電站內部缺陷質量檢測
-
2025-12-05 14:36:00
?便攜式能見度檢測儀讓每一次出行和作業都多一份安心
-
2025-12-02 14:41:37
?能見度傳感器為各行各業的安全運行提供堅實保障
-
2025-03-05 15:34:00
?高智能負氧離子監測站如何“嗅”出空氣新品質?
-
2025-05-27 15:28:10
?礦區安全防汛在線監測預警系統,利用GNSS監測位移的設備
